RTEP4500电阻式热蒸发镀膜设备为立式箱体式PVD镀铬系统,专为汽车LOGO标识广告牌镀膜而设计.
工作原理:将工件放入真空腔体,通过不同级真空泵(滑阀真空泵、旋片泵、罗茨真空泵、扩散泵)
使腔体真空度达到5.0*10-2~8.0×10-3Pa,然后蒸发固定在钨丝(或板)中的铬丝。当工件在旋转驱动系统中转动时,铬材料将沉积在基体表面并形成高度均匀的涂层。
PVD镀铬特性:PMMA(亚克力)表面的PVD镀铬可产生以下出色的涂层:在白天,标志符号看起来像固体金属(不锈钢效果);而在夜间,它们从正面、背面和侧面被照亮(内部安装了 LED 灯)。
上海永容光电科技有限公司成功开发并制造了高真空金属化设备,用于在3D汽车亚克力汽车广告牌上制造高质量的镜面和半透效果的金属薄膜。
其采用PVD真空金属化技术,可以控制薄膜厚度,涂层工艺更加环保,是取代传统铬电镀工艺的理想涂层解决方案。 此外,更多的好处是:
1, 耐用,生命时间高达5~8年,即使在户外。
2. 易于组装和维护。
3.安全、可靠。PMMA材料使它比金属标志的重量比金属标志轻得多,大大降低了在事故中受伤的风险。
4.出色的美学装饰:在白天,汽车标志符号看起来像固体金属(不锈钢效果);而在晚上,它们从前、后和侧视图被照亮(内部安装了LED灯)。
LED发光汽车车标广告牌,PC/PMMA塑料金属化,铝/银/铜/NiCr合金金属化,PC镜子真空镀膜。
类型:
立式,箱式, 立方体类型,可滑动的门和转架结构l
设计特点:
箱式类型,容量大。
轨道架上的滑动门,便于装卸。
独特的蒸发系统设计,保证高均匀性。
A:从基板到蒸发源的距离可以灵活调整
B:蒸发源距离可调;
C:机架在腔室内向前/向后滑动。
lPLC + 触摸屏操作系统,全自动/手动控制
快速真空抽空系统
方便进入工作环境进行维护
设备性能
1. 极限真空压力:优于 5.0×10-6 Torr。
2. 工作真空压力:1.0×10-4 Torr。
3. 抽真空时间:从 1 atm 到 1.0×10-4 Torr≤3 分钟(室温、干燥、清洁)
4. 金属化材料(蒸发):Al、Cr、Sn、Ti、SS、Cu……等。
5. 操作模式:全自动/半自动/手动
设备结构
真空镀膜机包含以下关键完整系统:
1. 真空室
1.1 尺寸:内部长度:4500mm
内部高度:3200mm
内部宽度:1400mm
1.2 材料:真空室:SS41 低碳钢
门和法兰:SS41 低碳钢
真空镀膜腔体加强结构:SS41 低碳钢,表面涂漆处理。
真空镀膜腔体底架: SS41 低碳钢,表面涂漆处理。
1.3 蒸发源屏蔽:SUS304
1.4 观察窗:位于镀膜室门上
1.5 真空室排气阀(包括消音器)
1.6 门:SS41 低碳钢
2. 粗真空抽气系统(前级泵包)
3. 高真空抽气系统(扩散泵 + 冷阱装置)
4. 电气控制和操作系统 - PLC + 触摸屏
4.1 主电路:无保险丝断路器开关、电磁开关、C/T 串联类型
4.2 蒸发电源
4.3 蒸发控制系统
4.4 操作系统:触摸屏 + PLC、配方控制和数据记录、自动关机、自动抽真空、自动涂层
4.5 真空压力测量系统
真空计:皮拉尼 + 彭宁计
热电偶计:760 Torr ~ 5*10-4 Torr
4.6 报警系统:压缩空气压力、冷却水流量、误操作
4.7 电源负载指示器:电压指示器和负载电流指示器
5. 沉积系统
5.1 钨丝蒸发源
5.2 Cr/Al 丝
6. 其它系统
6.1 空气压缩阀控制系统
6.2 冷却水系统:水流管道和开关阀系统
6.3 Polycold (-120~-145℃) Brooks 低温泵可选。
7. 工作环境
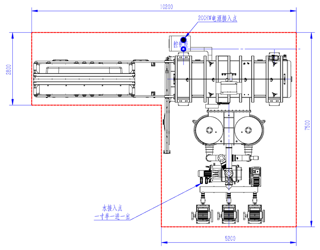
压缩空气:5~8kg/cm2
冷却水:进水温度:20~25℃,200 升/分钟,
进水压力:2~3 kg/cm2,
电源:3 相 380V 50Hz(60Hz),200kVA
安装面积:(长*宽*高) 10200*7500*4200mm
排气:机械泵排气口
强烈建议使用无尘室.
设备布局图


